আজকে আমাদের আলোচনার বিষয় – সিভিল কন্সট্রাকশনের আর সি সি যা অধ্যায়-৪ এর সিভিল কন্সট্রাকশন ২ এ অন্তভুক্ত।গণপ্রজাতন্ত্রী বাংলাদেশ সরকার ২০০৯ শিক্ষাবর্ষ হতে সকলস্তরের পাঠ্যপুস্তক বিনামূল্যে শিক্ষার্থীদের মধ্যে বিতরণ করার যুগান্তকারী সিদ্ধান্ত গ্রহণ করেছে।কোমলমতি শিক্ষার্থীদের আরও আগ্রহী, কৌতূহলী ও মনোযোগী করার জন্য মাননীয় প্রধানমন্ত্রী শেখ হাসিনার নেতৃত্বে আওয়ামী লীগ সরকার প্রাক-প্রাথমিক, প্রাথমিক, মাধ্যমিক স্তর থেকে শুরু করে ইবতেদায়ি, দাখিল, দাখিল ভোকেশনাল ও এসএসসি ভোকেশনাল স্তরের পাঠ্যপুস্তকসমূহ চার রঙে উন্নীত করে আকর্ষণীয়, টেকসই ও বিনামূল্যে বিতরণ করার মহৎ উদ্যোগ গ্রহণ করেছে; যা একটি ব্যতিক্রমী প্রয়াস।
বাংলাদেশ কারিগরি শিক্ষা বোর্ড কর্তৃক রচিত ভোকেশনাল স্তরের ট্রেড পাঠ্যপুস্তকসমূহ সরকারি সিদ্ধান্তের প্রেক্ষিতে জাতীয় শিক্ষাক্রম ও পাঠ্যপুস্তক বোর্ড ২০১৭ শিক্ষাবর্ষ থেকে সংশোধন ও পরিমার্জন করে মুদ্রণের দায়িত্ব গ্রহণ করে। উন্নতমানের কাগজ ও চার রঙের প্রচ্ছদ ব্যবহার করে পাঠ্যপুস্তকটি প্রকাশ করা হলো।
Table of Contents
সিভিল কন্সট্রাকশনের আর সি সি
আরসিসি
আরসিসি (RCC) এর পূর্ন নাম হল Reinforced Cement Concrete। সাধারণ প্লেইন কংক্রিটের টান বল (Tension) ও শিয়ার বল (Shear) প্রতিরোধ ক্ষমতা কম। তবে চাপ বল (Compression) সহ্য করার ক্ষমতা অনেক। প্লেইন কংক্রিট টানে বেশ ভঙ্গুর। কাঠামোয় যে সকল মেম্বারকে টান বল ও শিয়ার বল সহ্য করতে হয়, ও সে সকল মেম্বার নির্মাণে সিমেন্ট কংক্রিটের মধ্যে মাইন্ড স্টীল (M.S Rod) ব্যবহার করে এর টান শিয়ার প্রতিরোধ শক্তি কে বৃদ্ধি করা হয়। এ ধরনের কংক্রিটকে রি-ইফোর্সড সিমেন্ট কংক্রিট সংক্ষেপে আর সি সি বলে।
একটি আর.সি.সি মেম্বার নির্মান কালে কংক্রিট ঢালাই করার পূর্বেই ফর্মায় ডিজাইন অনুসারে নির্দিষ্ট গ্রেডের এম এস (Mild steel) রড স্থাপন করা হয়। ঢালাই করার পর স্টিল রড ও কংক্রিট জমাটবদ্ধ হয়ে একক অভিন্ন বস্তুতে রূপান্তরিত হয়। এ কংক্রিটে এম এস রড টান শক্তি ও কংক্রিট চাপ শক্তি বহন করে। আবহাওয়া বা আগুনে যেন রড ক্ষতিগ্রস্ত না হয় সেজন্য রডের সকল পাশে আবরণ (Covering) দেওয়া হয়। আজকাল সাধারণ প্লেন (Plain Concrete) হতে রি-ইনফোর্সড সিমেন্ট কংক্রিট (RCC) অনেক বেশি ব্যবহার হয়।

আরসিসি কাজে এম এস রডের প্রয়োজনীয়তা
সাধারন সিমেন্ট কংক্রিট অপেক্ষ মাইন্ড স্টিল (ms) উচ্চ শক্তি সম্পন্ন পদার্থ। টেনশন বা কম্প্রেশন এ সাধারণ কংক্রিট অপেক্ষা মাইন্ড স্টিলের ক্ষমতা অনেক বেশি। কারণ মাইল্ড স্টিলের ইল্ড (Yield) স্ট্রেংথ কংক্রিটের কম্প্রেসিভ (Compressive) স্ট্রেংথ হতে ১৫ গুণ ও টেনসাইল (Tensile) স্ট্রেংথ হতে ১০০ গুণেরও বেশি। এতদসত্ত্বেও মাইন্ড স্টিল ও কংক্রিটকে যদি একত্রে নির্মাণ কাজে ব্যবহার করা যায় তাহলে কমপ্রেসিভ ও টেনসাইল বল সার্থকভাবে প্রতিরোধ করা যায়।
বিমের ক্ষেত্রে শিয়ার ফোর্স (Shear force) জনিত কারণে সৃষ্ট ডায়াগোন্যাল টেনশন (Diagonal tension) প্রতিরোধেও মাইল্ড স্টিল কার্যকর। কাঠামোর কমপ্রেশন মেম্বার সমূহে ন্যূনতম রি-ইনফোর্সমেন্ট ব্যবহার করা হয় বলে আকস্মিক বেনডিং মোমেন্ট জনিত কারণে রি-ইনফোর্সমেন্ট যুক্ত এলাকা ফাটল মুক্ত থাকে।
এম এস ব্যবহারের সুফল পাওয়ার জন্য কংক্রিট ও এম এস রডের মধ্যে যথেষ্ট বন্ডের (Bond) প্রয়োজন। বন্ড সৃষ্টি করে কংক্রিট হতে মাইল্ড স্টিলের আপেক্ষিক সরণ ঠেকানো যায়। বন্ডের জন্য মাইন্ড স্টিলবারের পৃষ্ঠকে বিকৃত (Deform বা Ribbed) করে পারস্পরিক বন্ধনের পরিমাণও বৃদ্ধি করা যায়। এরূপ বার সাধারণত অমসৃণ ও মোচড়ানোর মতো দেখতে হয়ে থাকে, তাই এই বার কে ডিফর্মড বা রিবড বার (Deformed বা Ribbed bar) বলে।
মাইল্ড স্টিল ও কংক্রিট একত্রে ব্যবহার করার সুবিধাসমূহ-
১) মাইল্ড স্টিলের ক্ষয় প্রতিরোধ করার ক্ষমতা খুবই কম। মাইল্ড স্টিল রি-ইন-ফোর্সমেন্টের চারদিকে কংক্রিট প্রদান করলে চমৎকার ভাবে ক্ষয় প্রতিরোধ করা যায়।
২) কংক্রিটের মাঝে মাইল্ড স্টিল বার ব্যবহারে সুদৃঢ় বন্ধন সৃষ্টি করে, যাতে উভয়ে একক পদার্থ হিসাবে কার্যকর হয়।
৩) প্লেইন কংক্রিট টান পীড়নে দুর্বল কিন্তু মাইল্ড স্টিল খুব শক্তিশালী, ফলে কাঠামো টান ও চাপ পড়ীন সফল ভাবে কার্যকর হয়।
৪) আয়রন ছাড়া স্টিল অগ্নি রোধক নয়। এবং এটি তাপ সুপরিবাহী বলে উচ্চ তাপমাত্রায় এর শক্তি দ্রুত হ্রাস পায়। অপরদিকে কংক্রিট তাপ কুপরিবাহী। কংক্রিট কভারিং রি-ইনফোর্সমেন্টের থার্মাল ইন্সুলেশন হিসাবে কাজ করে।
৫) তাপীয় গুণাঙ্ক (Co-efficient of thermal expansion) স্টিলের ৬.৫ x ১০ ও কংক্রিটের ৫.৫ x ১০ প্রায় সমান বলে তাপমাত্রার পরিবর্তনের কারণে স্টিলের আপেক্ষিক সরণ ও কংক্রিটের ফাটল পরিহার করা যায়।
৬) স্টিলকে সহজে বাঁকানো, দুমড়ানো, কাটা ও ওয়েল্ডিং করা যায়।
লিন্টেল (Lintel), বিষ (Beam), স্লাব (Slab) এ ব্যবহৃত বিভিন্ন রডের অবস্থান দেখিয়ে তাদের নাস উল্লেখ করা হলো।


বিমের ড্রয়িং:

সেইন বার নকশা (main bar arrangement)




স্লাব নকশা (slab rebar arrangement)
(১) স্লাবের প্রকারভেদ

(২) স্লাব মেইন বার ব্যবস্থা
(ক) বেন্ট বার টাইপ ডিটেইলিং
(খ) কাট বার টাইপ
চিত্র: স্লাবের মেইন বারের অবস্থান এবং বেন্ড বা কাটিং এর পরিমাণ দেখানো হয়েছে।
স্টিরাপ (Stirrup)
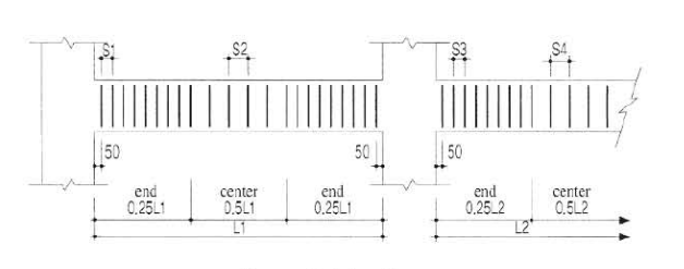
বিষের উপর অর্পিত বলের কারণে তার মধ্যে টান ও চাপ পীড়নের পাশাপাশি ডায়াগোনাল টেনশন (Diagonal tension) বা শিয়ার পীড়ন সৃষ্টি হয়। কংক্রিট সীমিত পরিমাণ শিয়ার পীড়ন প্রতিরোধ করতে পারলেও সৃষ্ট পীড়নের তুলনায় তা নগণ্য। কংক্রিটের বহন ক্ষমতার অতিরিক্ত শিয়ার পীড়নকে বাড়তি শিয়ার স্ট্রেস বা পীড়ন (Excess shear stress) বলে। এই বাড়তি শিয়ার পীড়ন বহনের জন্য আলাদা রি-ইনফোর্সমেন্ট ব্যবহার করা হয়। একে ভাটিক্যাল রি-ইন-ফোর্সমেন্ট বা ওয়েব রি-ইন-ফোর্সমেন্ট বা স্টিরাপ (Stirrup) বলে। সাধারণত ১০ মি মি ব্যাসের রড স্টিরাপ হিসাবে ব্যবহার হয়। সাধারণত চার পদ্ধতিতে স্টিরাগ প্রদান করা হয়।
স্টিরাপের কাজ (Function of Stirrups) ডায়াগোনাল টেনশনের ফলে বিষে যাতে কৌপিক ফাটল সৃষ্টি না হয় তার জন্য স্টিরাপ ব্যবহৃত হয়। মীরে সৃষ্ট ডায়াগোনাল টেনশন এক প্রকার কৌণিক বা লব্ধি বল। এই বলকে অনুভূমিক বা খাড়া উপাংশে রূপান্তর করা যায়। বিমে অবস্থিত প্রধান লোহা অনুভূমিক বলকে প্রতিরোধ করতে পারে। কিন্তু খাড়া উপাংশ বলকে প্রতিরোধ করার জন্য বিমে খাড়াভাবে রি-ইনফোর্সমেন্ট দিতে হয়। এই খাড়া রি-ইনফোর্সমেন্ট এর প্রধান কাজ হলো ডায়াগোনাল টেনশন প্রতিরোধ করা। তাছাড়া প্রধান রডকে নিজ অবস্থান ধরে রাখা ও বাঁকা হওয়ার প্রবণতা প্রতিরোধ করাও স্টিরাপের কাজ।
স্টিরাপের অবস্থান (Spacing of Stirrups)
নিম্নের সূত্রগুলোর সাহায্যে স্টিরাপের ব্যবধান নির্ণয় করা যায়।
(d) S-Avf/vb
এখানে S = স্টিরাপের ব্যবধান, সে সি (পরপর দুইটি স্টিয়াপের মধ্যবর্তী দূরত্ব)
A- স্টিরাপের খাড়া দুই বাহুর মোট প্রস্থচ্ছেদীয় ক্ষেত্রফল, বর্গ সে মি
f = স্টিরাপের অনুমোদনযোগ্য টান পীড়ন, কেজি/বর্গ সে মি
V = বিমে উৎপন্ন একক শিয়ার পীড়ন, কেজি/ বর্গ সে মি V = কংক্রিটের অনুমোদনযোগ্য শিয়ার পীড়ন, কেজি/ বর্গ সে মি
V = V – Vc স্টিরাপ কর্তৃক বহনকৃত অতিরিক্ত শিয়ার পীড়ন, কেজি/ বর্গ সে মি
b = বিমের প্রস্থ
d = বিমের কার্যকরী গভীরতা
এছাড়া, ACI(American concrete institute code) কোড অনুযায়ী
(ii) S = d/2
(iii) SA,/0.0015b
উল্লিখিত তিনটি মানের মধ্যে সর্বনিম্ন মান ধরতে হবে। সাপোর্ট থেকে S/2 দূরত্বে প্রথম স্টিরাপ স্থাপন করতে হবে।
বিমে যতদূর স্টিরাপ প্রয়োজনঃ সূত্রের সাহায্যে কতদূর পর্যন্ত স্টিরাপ প্রয়োজন তার পরিমাণ নির্ণয় করা হয়। উল্লেখ্য বিমের উপর অর্পিত লোড ও তার অবস্থান এবং প্রান্তীয় অবস্থার (End condition) উপর ভিত্তি করে দূরত্ব নিরূপণ করা হয়।
স্টান্ডার্ড হক (Standard hook)
আরসিসি কাঠামোর উপর অর্পিত ওজনের কারণে এম এস রড ও কংক্রিটের মধ্যে বিভিন্ন মাত্রার পীড়ন সৃষ্টি হয়। ফলে তারা পরস্পর হতে বিচ্ছিন্ন হতে চায়। রড ও কংক্রিটের মধ্যে সুদৃঢ় বন্ধন সৃষ্টির জন্য ব্যবহৃত রড গুলোর প্রান্তদেশ বাঁকিয়ে দেওয়া হয়। বাঁকিয়ে দেওয়ার ফলে অর্পিত বলের কারণে রডগুলো কংক্রিট থেকে বের হতে পারে না। এই বাঁকা অংশকে হুক বলে। হুক সমকোণী বা অর্ধবৃত্তাকার হতে পারে। সুতরাং কংক্রিট হতে রডের পিছলানো প্রতিরোধের জন্য রডের প্রান্তে সুপরিকল্পিত আদর্শ মাপ অনুযায়ী যে বাঁক তৈরি
করা হয় তাকে স্ট্যান্ডার্ড হক বলে।
স্টান্ডার্ড হকের পরিমাপ
নিম্নে চিত্র দ্বারা পরিমাপসহ রডের স্ট্যান্ডার্ড হক দেখানো হলোঃ
ক) অর্ধবৃত্তাকার হক (Semi circular hook) ০৪ এ জাতীয় হকে বাঁকের ব্যাসার্ধ রডের ব্যাসের ২.৫ থেকে ৪ গুণ এবং ঐ বাঁকের শেষ প্রান্ত থেকে আরও কমপক্ষে রডের ব্যাসের ৪ গুণের সমান দৈর্ঘ্যের রড সোজা অবস্থায় রাখা হয়।
খ) সমকোণী বা ৯০০ ডিগ্রি হক (90° bend hook) ০৪ সমকোণী বা ৯০ হক তৈরির জন্য এর বাঁকের রডের ব্যাসের ব্যাসার্ধ ২.৫ থেকে ৪ গুণ এবং বাঁকের শেষ প্রান্ত থেকে আরও কমপক্ষে ব্যবহৃত রডের ব্যাসের ১২ গুণ সমান দৈর্ঘ্যের রড সোজা অবস্থায় রাখা হয়।
গ) 135° হক (135° hook) 135° হক তৈরির জন্য বাঁক শুরুর স্থান থেকে শেষ প্রান্ত পর্যন্ত দৈর্ঘ্য ব্যাসের ১২ থেকে ১৬ গুণ হয়ে থাকে।
স্টিরাপ এবং টাই এর হকঃ স্টিরাপ এবং টাই এর হক 90° বা 135° হয়ে থাকে। এ জাতীয় হকের ক্ষেত্রে বাঁকের ব্যাসার্ধ রডের ব্যাসের ২.৫ থেকে ৪ গুণ এবং মুক্ত প্রান্তে সোজা দৈর্ঘ্য রডের ব্যাস অনুযায়ী হয়। যথাঃ ১০ মি মি থেকে ২৫ মি মি ব্যাসের রভের জন্য ৬ গুণ, ২৮ মি মি থেকে ৩৫ মি মি ব্যাসের রডের জন্য ৮ গুণ এবং ৪৪ মি মি থেকে ৫৬ মি মি রডের জন্য ১০ গুণ।
RECOMMENDED END HOOKS
All grades of steel (minimum yield strengths)
D = Finished inside bend diameter
d = Bar diameter

SEISMIC STIRRUP/TIE HOOK DIMENSIONS
SEISMIC STIRRUP/TIE HOOKS
135°
চিত্রঃ সিজমিক বা ভূমিকম্প স্টিরাপ বা টাই হকের পরিমাপ টেবিল এবং পরিমাপ দেখানো হয়েছে।
ক্রাংক বার
বর্তমানে আমাদের দেশে বিয়ে ক্রাংক বা বাঁকানো রক্তের ব্যবহার প্রায় উঠেই গেছে। তবে স্নাবে এদের ব্যবহার এখনো রয়েছে। যা চিত্র ৪.৯ এ দেখানো হয়েছে। পজেটিভ বা স্লাবের স্প্যানের মাঝের অংশে নিচে মোমেন্ট বেশি থাকে এবং টেনশন বল কাজ করে। এজন্য মাঝে বার বা রড ব্যবহার করা হয়। কিছু এই রড যখন সাপোর্টের নিকট চলে আসে তখন উপরে বল তথা মোমেন্ট বেশি থাকে ফলে উপরে রডের পরিমাণ বেশি দিতে হয়। এমতাবস্থায় পজেটিভের ব্রতকে সাপোর্ট হতে সাধারণত দৈর্ঘ্য/৪ দূরত্বে বেস্ট করে উপরে উঠিয়ে সাপোর্ট পর্যন্ত নিয়ে যাওয়া হয়। একেই ক্লাংক বার বলে।
দুই রডের মধ্যবর্তী ন্যূনতম দূরত্ব
বিমে ন্যূনতম বার স্পেসিং (Minimum spacing of reinforcement in the beam) of বিম ডিজাইন করে এর প্রন্থ, গভীরতা ও লোহার পরিমাণ নির্ধারণ করা হয়। বিমে লম্বভাবে স্থাপিত সমান্তরাল দুইটি রডের ব্যবধান (Spacing) ACI কোড অনুযায়ী নিম্নরূপঃ
১) বিমে ব্যবহৃত রডের ব্যাসের চেয়ে কম হবে না।
২) কংক্রিটে ব্যবহৃত কোর্স এগ্রিগেটর সর্বোচ্চ আকারের ১.৫ গুণের কম হবে না।
৩) সর্বনিম্ন ২৫ মি মি এর কম হবে না।
বিমের প্রস্থ যদি এত কম হয় যে সীমিত মাপের জন্য এক স্তরে পাশাপাশি রড বসালে কোর্স এগ্রিগেট ঢুকানোর ফাঁক না থাকে তাহলে রঙকে দুই স্তরে সাজাতে হবে। নিচের স্তরের রডের ২৫ মি মি ঠিক উপরেই দ্বিতীয় স্তরের রড বসাতে হবে। কংক্রিট ঢালাই এর পূর্বেই রডগুলোকে সঠিক স্থানে বসিয়ে এম এস রডের চেয়ার বা কংক্রিট ব্লক দ্বারা উত্তমরূপে আটকিয়ে নিতে হবে। অনেক ক্ষেত্রে ২২ মি মি ব্যাসের রডের টুকরা সেপারেটর হিসাবে ব্যবহার করা যেতে পারে। ফলে কংক্রিট ঢালাই করার সময় রডগুলোর স্থানচ্যুতি হবে না।
রডের ল্যান্সিং এর ব্যবহার
বিম, কলাম, স্লাব এ রড ব্যবহার করার সময় রড জোড়া দেওয়ার প্রয়োজন হয়। এ সময় একটি রডের শেষ প্রান্ত অপর রডের শুরুর প্রান্ত নির্দিষ্ট মাপ পরিমাণ একত্রে থাকে। একে রডের ল্যাপিং বলে। বিমের নিচে এবং উপরে অর্থাৎ টেনশন ও কমপ্রেশন জোনে হিসেব করে কোড মোতাবেক এর পরিমাণ নির্ণয় করতে হয়। ল্যাপের পরিমাণ রডের ব্যাসের উপর নির্ভর করে। ল্যাপের স্থানে একটি রড সোজা থাকে এবং অপরটি ১:৬ অনুপাতে বাঁকাতে হয়। বিমে একটি রডের সাথে আর একটি রড জোড়া দিতে কমপক্ষে ব্যাসের ৩০ গুণ পরিমাণ ল্যাপ দিতে হবে। এক্ষেত্রেও নিয়ম অনুযায়ী হক থাকবে।



আরসিসি এর ব্যবহার ক্ষেত্র
এটি ব্যাপকভাবে ব্যবহৃত নির্মাণ সামগ্রী। নিম্নে এর পুরুত্বপূর্ণ কিছু ব্যবহারের তালিকা দেওয়া হলোঃ
১। এটি কাঠামোর উপাদান হিসেবে ব্যবহৃত হয়। একটি স্থাপনায় নিম্নরূপ আরসিসি ব্যবহার হয়। যথাঃ
(ক) ফুটিং বা ভিত্তিতে বা ভিতে
(খ) কলাম
(গ) বিষ এবং লিন্টেল
(ঘ) ছাদে
(ঙ) সিঁড়িতে
২। গুদাম বা সংরক্ষণের কাঠামো তৈরিতে আরসিসি ব্যবহার হয় যেমন-
(ক) পানির ট্যাংক
(খ) ড্যাম
(গ) ডাস্টবিন
(ঘ) সাইলো এবং ব্যাংকার
৩। অনেক বড় স্থাপনা নির্মাণে আরসিসি ব্যবহার হয় না যেমন-
(ক) ব্রিজ
(খ) রিটেইনিং ওয়াল
(গ) ডক এবং পোতাশ্রয়
৪। প্রিকাস্ট এর জন্য ব্যবহার হয় যেমন-
(ক) রেলওয়ের স্লিপার
(খ) ইলেক্ট্রিক্যাল পোল
৫। সুউচ্চ স্থাপনা নির্মাণে
(ক) বহুতল ভবন
(খ) চিমনি
(গ) টাওয়ার
৬। এটি পেন্ডিং এর জন্য ব্যবহার হয়। যেমন-
(ক) রাস্তা
(খ) এয়ারপোর্ট
৭। আণবিক শক্তি উৎপাদনে রেডিয়েশন বন্ধে আরসিসি ব্যবহার করা হয়। (প্রায় ১.৫ মিটার হতে ২ মিটার পুরা
আরসিসি কাজে ফর্ম ওয়ার্কের কৌশল
ফর্ম ওয়ার্ক তৈরি একটি অস্থায়ী নির্মাণ কাজ যা কাঠামোর মোল্ড হিসেবে ব্যবহার হয়। নতুন কংক্রিট এ মোল্ডে ঢালা হয় তা শক্ত হওয়ার পূর্ব পর্যন্ত ফর্ম ওয়ার্ক খোলা হয় না। এটা তৈরি করতে অনেক সময় লাগে এবং মূল কাঠামোর ২০-২৫% খরচ হয়। কিন্তু ডিজাইন করা ফর্ম ওয়ার্কে খরচ বাঁচানো সম্ভব হয়। ফর্ম ওয়ার্ক খুলে ফেলাকে স্ট্রিপিং (stripping) বলে। যে ফর্ম ওয়ার্ক বার বার ব্যবহার করা হয় তাকে প্যানেল ফর্ম বলে। যে ফর্ম ওয়ার্ক একবার ব্যবহার করা হয় তাকে স্টেশনারি ফর্ম বলে।
আমাদের দেশে সাধারণত কাঠ ফর্ম ওয়ার্কের উপাদান হিসেবে বেশি ব্যবহার করা হয়। কিন্তু এর অসুবিধা হচ্ছে কাঠের ফর্ম ওয়ার্ক বাঁকা, মোচড়ানো ও সংকুচিত হয়ে যায়। এছাড়া প্লাই উড, স্টিল, প্লাস্টিক, এ্যালুমিনিয়াম ফর্ম ওয়ার্ক বর্তমানে বেশ সুপরিচিত।




ফর্ম ওয়ার্ক নির্মাণ
সাধারণত নিম্নলিখিত ধাপগুলো ফর্ম ওয়ার্ক নির্মাণে কার্যকর। যথাঃ-
১। প্রপিং এবং সেন্টারিং (Propping and centring)
২। সাটারিং (Shuttering)
৩। ক্যাম্বারিং (Provision of camber)
৪। পরিষ্কার ও পৃষ্ঠতলের ট্রিটমেন্ট (Cleaning and surface treatment)




ফর্ম ওয়ার্ক খোলার পদ্ধতি এবং ধারাবাহিকতা নিম্নরূপ
১। প্রথমে দেওয়াল, বিষ এবং কলামের উলম্ব ফেস বরাবরের সাটারিং খুলতে হবে। যেহেতু এরা কোন লোড বা ভার বহন করে না বরং শুধু কংক্রিট ধরে রাখে।
২। এরপর স্লাবের নিচের সাটারিং খুলতে হবে।
৩। বিষ, গার্ডার, ও অন্যান্য তুলনামূলক ভারী মেম্বার হতে সর্বশেষে সাটারিং খুলতে হবে।
দ্রুত শক্ত আনয়নকারী সিমেন্ট, গরম আবহাওয়া এবং কম লোড বা ভারের ক্ষেত্রে কম সময়ে ফর্ম ওয়ার্ক খোলা যায়। যতক্ষণ সব কংক্রিট তাদের কাঙ্ক্ষিত স্ট্রেন্থএর দ্বিগুন পর্যন্ত পৌঁছাবে না ততক্ষণ ফর্ম ওয়ার্ক খোলা যাবে না। ফর্ম ওয়ার্ক সাবধানে ধীরে ধীরে খুলতে হবে যাতে লোড হঠাৎ কংক্রিটে না যায়।
টেবিলঃ ফর্ম ওয়ার্ক খোলার সময়কাল (আই এস ৪৫৬ অনুসারে)
ক্র.না. | কাঠামোর বর্ণনা | সময়কাল |
১ | দেওয়াল, কলাম, বিমের উলম্ব পাশ | ১ হতে ২ দিন |
২ | স্লাব (প্রোপ নিচে থাকবে) | ৩ দিন |
৩ | বিমের নিচে (প্রোপ নিচে থাকবে) | ৭ দিন |
8 | স্লাব হতে প্রোপ খোলা | |
(a) স্লাব স্প্যান ৪.৫ মিটার পর্যন্ত | ৭ দিন | |
(b) স্লাব স্প্যান ৪.৫ মিটার হতে বেশি | ১৪ দিন | |
৫ | বিম এবং আর্চের প্রোপ খোলা | |
(a) স্প্যান ৬ মিটার পর্যন্ত | ১৪ দিন | |
(b) স্প্যান ৬ মিটার হতে বেশি | ২১ দিন |
টাই ও স্পাইরেল বার
কমপ্রেশন মেম্বারে টাই (বর্গাকৃতির কলামের ক্ষেত্রে) বা স্পাইরাল বার (গোলাকৃতির কলামের ক্ষেত্রে) ব্যবহার করা হয় যেন কংক্রিট হঠাৎ ভেঙ্গে না পড়ে এবং খাড়া স্টিল বারগুলোকে বাকেলিং (buckling) বা বেঁকে যাওয়া হতে বাঁধা দেয়।
টাই বার
১। বর্গাকৃতির কলামের টাই কমপক্ষে ১০মিলি হবে যদি উল্লম্ব রডের ডায়া ৩২ মিলি বা ছোট হয় এবং ১২ যদি উলম্ব রড ৩২ মিলি এর বেশি হয়। মিলি হবে
২। টাই এর নূন্যতম দূরত্ব নিম্নের তিনটির মধ্যে সবচেয়ে কম
(ক) ৪৮ x টাই ডায়ামিটার
(খ) ১৬ X খাড়া রডের ডায়ামিটার
(গ) কলামের ছোট পাশের মাপ।


স্পাইরাল বার
স্পাইরাল বারের ন্যূনতম অনুপাত, ps (ACI code অনুসারে)
Ps = 0.45 (Ag/Ac-1)f’c/fy Aggross area of section Ac= area of core of spirally column fy= yield strength of rebar <= 60 ksi
১। স্পাইরালের mim ডায়ামিটার = ১০ মিলি
২। ন্যূনতম দূরত্ব ৭৫ মিলি হতে বেশি এবং ২৫ মিলি হতে কম হবে না।
৩। ওয়েল্ডিং (ওয়েল্ডিং যোগ্য হতে হবে) বা ল্যাপিং ৪৮x ডায়ামিটার বা কমপক্ষে ১২ ইঞ্চি দিয়ে স্পাইরাল বার দেওয়া হয়।
অনুশীলনী
অতি সংক্ষিপ্ত প্রশ্ন
১। আরসিসি কাকে বলে?
২। স্টিরাপ এর সংজ্ঞা দাও।
৩। স্ট্যান্ডার্ড হকের সংজ্ঞা দাও।
৪। ক্রাংক বার কি?
সংক্ষিপ্ত প্রশ্ন
১। স্টিরাপের অবস্থান নির্ণয় কর।
২। রডের ল্যাপিং এর ব্যবহার লেখ।
৩। লিন্টেল, বিম, স্লাব -এ ব্যবহৃত বিভিন্ন রডের নাম লেখ।

রচনামূলক প্রশ্ন
১। আরসিসি কাজে রড ব্যবহারের প্রয়োজনীয়তা বর্ণনা কর। আরসিসি এর ব্যবহার ক্ষেত্রগুলো উল্লেখ কর।
২। স্ট্যান্ডার্ড হকের পরিমাপ চিত্রসহ বর্ণনা কর এবং দুইটি রডের মধ্যবর্তী দূরত্ব কেমন হবে তা বর্ননা কর।
৩। আরসিসি কাজে ফর্ম ওয়ার্কের কৌশল বর্ণনা কর। টাইবার ও স্পাইরাল বার সম্পর্কে বিবরণ দাও।
আরও দেখুন :