আজকে আমাদের আলোচনার বিষয় – ব্যবহারিক কাজ প্রথম পত্র এর সিভিল কন্সট্রাকশন ২ এ অন্তভুক্ত। শিক্ষা জাতীয় জীবনের সর্বতোমুখী উন্নয়নের পূর্বশর্ত। দ্রুত পরিবর্তনশীল বিশ্বের চ্যালেঞ্জ মোকাবেলা করে বাংলাদেশকে উন্নয়ন ও সমৃদ্ধির দিকে নিয়ে যাওয়ার জন্য প্রয়োজন সুশিক্ষিত-দক্ষ মানব সম্পদ।
কারিগরি ও বৃত্তিমূলক শিক্ষা দক্ষ মানব সম্পদ উন্নয়ন, দারিদ্র্য বিমোচন, কর্মসংস্থান এবং আত্মনির্ভরশীল হয়ে বেকার সমস্যা সমাধানে গুরুত্বপূর্ণ অবদান রাখছে। বাংলাদেশের মতো উন্নয়নশীল দেশে কারিগরি ও বৃত্তিমূলক শিক্ষার ব্যাপক প্রসারের কোনো বিকল্প নেই। তাই ক্রমপরিবর্তনশীল অর্থনীতির সঙ্গে দেশে ও বিদেশে কারিগরি শিক্ষায় শিক্ষিত দক্ষ জনশক্তির চাহিদা দিন দিন বৃদ্ধি পাচ্ছে।
এ কারণে বাংলাদেশ কারিগরি শিক্ষা বোর্ড কর্তৃক এসএসসি (ভোকেশনাল) ও দাখিল (ভোকেশনাল) স্তরের শিক্ষাক্রম ইতোমধ্যে পরিমার্জন করে যুগোপযোগী করা হয়েছে।
Table of Contents
ব্যবহারিক কাজ প্রথম পত্র
ব্যবহারিক কাজ ১
কাজের নামঃ স্ক্যাফোল্ডিং তৈরি (ট্রিক লেয়ারস অ্যাকোফোন্ডিং)
প্রয়োজনীয় যন্ত্রপাতিঃ হাত করাত।
প্রয়োজনীয় মালামাসঃ বাঁশ (স্টিল প্রপ/স্ট্যান্ডার্ডস), কাঠ, রশি যা সুতলি, ইট।
চিত্রঃ ব্রিক লেয়ারস স্ক্যাফোন্ডিং

কার্য প্রণালী
১) প্রথমে স্ট্যান্ডার্স এর বাঁশগুলোকে করাও দ্বারা সাইজমত কাট।
২) দেওয়াল থেকে কমপক্ষে ৬০ সে. মি. দূরে স্ট্যান্ডাডর্সগুলো দেওয়ালের সমাজরাল করে নির্দিষ্ট দূরত্ব পরপর মাটিতে পৌঁত বা মাটি ভর্তি ড্রামের মধ্যে বসাও।
৩) স্ট্যান্ডার্ডসগুলোর সাথে আড়াআড়িভাবে লেজারগুলো (চিত্র দেখ) তার, সুতলি বা রশি দ্বারা ভালো করে বাঁধ।
৪) এবার পুঁটলগগুলোকে অনুভূমিকভাবে দেওয়ালে প্রবিষ্ট করিয়ে লেজারের সাথে বাঁধ।
৫) দেওয়ালের সমান্তরাল করে পুটলগের উপর ঢেউ টিন, স্টিল বা তক্তা বসালে কাঙ্খিত স্ক্যাফোল্ডিং তৈরি হবে।
ব্যবহারিক কাজ ২
কাজের নামঃ দরজা জানালার ক্লাম্প ও চৌকাঠ দেওয়ালে সংস্থাপন।
প্রয়োজনীয় যন্ত্রপাতিঃ হাতুড়ি, ক্রু ফাইভার, ব্রাশ (যদি অলড্রেন্স বা আলকাতরা দিতে হয়)।
প্রয়োজনীয় মালামালঃ ক্লাম্প (Hold fast) পেরেক বা ক্ষু, অলড্রেক্স বা আলকাতরা, কংক্রিট (সিমেন্ট, বালি খোয়া), চৌকাঠ।
কার্য প্রণালি
প্রথম পদ্ধতি-
১) প্রথমে দেওয়ালের মাপমত স্থানে কমপক্ষে ৫ সে. মি. গর্ত কর। গর্তে ক্লাম্প ঢুকিয়ে ক্লাম্পের জেড অংশ বাইরে রেখে গর্ত কংক্রিট দ্বারা পুরণ কর।
২) কংক্রিটের জমাট বাঁধা ও কিউরিং শেষে দরজা বা জানালার চৌকাঠ ক্লাম্পের বর্ধিতাংশের সাথে মিলিয়ে রেখে ক্ষু দ্বারা আটকাও।

দ্বিতীয় পদ্ধতি –
১) ফ্লাপপুলো চৌকাঠের মাপমত স্থানে ‘ফু দ্বারা আটকাও।
২) তারপর দেওয়ালে পরিমাণ মতো গর্ত করে এবং ক্লাম্পগুলো প্রবিষ্ট করিয়ে কংক্রিট দ্বারা ভরাট কর।
৩) দেওয়ালের সাথে চৌকাঠের যে অংশ থাকবে ঐ অংশে ব্রাশ দ্বারা অলফ্রেন্স বা আলকাতরার প্রলেপ দেওয়া যেতে পারে।
ব্যবহারিক কাজ ৩
কাজের নামঃ ২: ২: ৭ অনুপাতে লাইম কংক্রিট স্থাপন।
প্রয়োজনীয় যন্ত্রপাতিঃ কর্ণি, কোদাল ও বেলচা, কড়াই, বালতি, মগ, পাট্টা, লেভেল।
প্রয়োজনীয় মালামালঃ চুন, সুরকি, খোয়া, পানি।
কার্য প্রণালী
১) অনুপাত অনুযায়ী চুন নিয়ে পানি দিয়ে ফুটিয়ে পাউডার আকারে পরিণত কর।
২) অনুপাত অনুযায়ী চুন, সুরকি ও খোয়ার (১৫ মি. মি.) শুল্ক মিশ্রণ তৈরি কর।
৩) এবার নিশ্ছিদ্র প্লাটফর্মের উপর পানি সহযোগে আর্দ্র মিশ্রণ তৈরি কর।
৪) কোদাল বা বেলচা দ্বারা আর্দ্র মিশ্রণকে ওলট পালট করে দাও (একে অনেক সময় কাটিং বলে)। ৫) তিন থেকে সাতদিন এ কংক্রিট ফেলে রাখ তবে মাঝে মাঝে উলট পালট করতে হবে (একে পচানো বলে)।
৬) তারপর কোদাল বা বেলচা দ্বারা কেটে ঢালাই স্থলে নিয়ে নির্দিষ্ট উচ্চতা ও ঢালে স্থাপন কর।
৭) সম্পূর্ণ জায়গায় কংক্রিট স্থাপনের পর কাঠের পাট্টা বা হাতুড়ি দ্বারা দুরমুজ কর।
৮) দুরমুজ করার সময় ঢাল রাখতে হবে।
৯) যদি ছাদে স্থাপন করা হয় তাহলে সিমেন্টের পেন্ট আকারের মসলা তৈরি করে কর্ণি দ্বারা সর্বত্র সমভাবে কংক্রিটের উপর লেপন কর।
১০) লেপন শেষ করার ২৪ ঘন্টা পর চটের বস্তা, খড়কুটা, কুচরিপানা, কাঠের গুড়া দ্বারা ঢাক এবং তাতে কিউরিং কর।
পানি সংযোগের (কিউরিং) কারণে সিমেন্টের প্রলেপ নিশ্ছিদ্র তল তৈরি করবে। কমপক্ষে ৭ থেকে ১৪ দিন কিউরিং করা অর্থাৎ কংক্রিট আর্দ্র রাখা উচিত।
ব্যবহারিক কাজ ৪
কাজের নামঃ (১:২:৪) অনুপাতে সিমেন্ট কংক্রিট তৈরি।
প্রয়োজনীয় যন্ত্রপাতি ও উপকরণঃ কোদাল, বেলচা, কড়াই, মাপের একক (কাঠের তৈরি), বালতি মগ, ৫/৮” রেমিং বা কমপ্যাকশন রড, কর্ণি, বালি ও খোয়া চালনি।
প্রয়োজনীয় মালমসলাঃ সিমেন্ট, বালি, ইট বা পাথরের খোয়া ও পানি।
কার্য প্রণালী
১) নিশ্ছিদ্র প্লাটফর্মের উপরে প্রথমে পরিমাণ মতো শুকনো বালু নিয়ে তা কোদাল বা বেলচা দ্বারা ভালোভাবে উলট পালট করে ছড়িয়ে নাও।
২) তারপর বালির অনুপাতের সাথে মিল রেখে পরিমাণ মতো সিমেন্ট বালির উপর ছড়িয়ে দাও। কোদাল বা বেলচা দ্বারা শুকনো অবস্থায় বালি ও সিমেন্ট এমনভাবে মিশিয়ে নাও যাতে মিশ্রণের রং সুষম হয় (অনেকটা বাদামী রং হবে)।
৩) মিশ্রণের স্তুপের কাছাকাছি ইটের খোয়াকে পানি দ্বারা ভালোভাবে ভিজিয়ে নাও।
৪) ভিজানো খোয়াকে এবার বালি ও সিমেন্টের শুকনো মিশ্রণের উপর ছড়িয়ে রাখ।
৫) তারপর কোদাল বা বেলচা দ্বারা বালি, সিমেন্ট ও খোয়াকে ভালোভাবে মিশ্রণ কর যাতে রংয়ের সমতা পরিলক্ষিত হয় (শুকনো অবস্থায়)।
৬) পানি-সিমেন্ট অনুপাত ঠিক রেখে পরিমাণ মতো পানি নিয়ে মগ বা বালতি দ্বারা শুকনো মিশ্রনের মাঝে গর্ত করে তাতে পানি ঢাল।
৭) তারপর কোদাল দ্বারা চারিদিকে হতে মিশ্রণকে মাঝের দিকে টেনে আন ও আগে পিছে ঠেলে আর্দ্র মিশ্রণ তৈরি কর।
৮) মিশ্রণ তৈরি হলে কড়াইতে করে কার্যস্থানে নাও এবং ফর্মায় স্থাপন কর।
৯) ফর্মায় স্থাপিত কংক্রিট ৫ সুতা ব্যাসের রড দ্বারা কমপ্যাক্ট কর।
১০) ফর্মা উঁচুতে হলে বাঁশ বা কাঠ দিয়ে স্ক্যাফোল্ডিং তৈরি কর।
১১) কংক্রিট ঢালাই এর ২৪ ঘন্টা পর থেকে শুরু করে ২৮ দিন পর্যন্ত প্রয়োজনীয় পদ্ধতিতে কিউরিং কর।
১২) সদ্য তৈরিকৃত কংক্রিট ঢালাইয়ের পূর্বে নতি কোণের সাহায্যে নতি (Slump) পরীক্ষা কর।
সাবধানতা
১) মিশ্রণে নির্দিষ্ট অনুপাত অবশ্যই বজায় রাখতে হবে।
২) মিশ্রণ তৈরি হওয়ার আধঘণ্টার মধ্যে ঢালাই কাজ শেষ করতে হবে।
৩) পানি-সিমেন্ট অনুপাত অবশ্যই ঠিক রাখতে হবে।
৪) হাত দ্বারা মিশ্রণ না করে মেশিন দ্বারা মিশ্রণ করলে এবং বেশি গভীরতায় ঢালাই করলে ভাইব্রেটর ব্যবহার করা উচিত।
ব্যবহারিক কাজ ৫
কাজের নামঃ ডি, পি, সি, সংস্থাপন (দালানের প্লিন্থ লেভেলে)।
প্রয়োজনীয় যন্ত্রপাতিঃ কর্ণি, কড়াই, বালতি, মগ।
প্রয়োজনীয় মাল মসলাঃ সিমেন্ট, বালি, খোয়া বা পাথরের চিপস্, পানি।
কার্য প্রণালী
প্রথমে প্রয়োজনীয় আর্দ্রতা নিরোধক স্তর ঢালাইয়ের মসলা তৈরি কর। (১: ৩ অনুপাতে সিমেন্ট-বালি)
১) মসলা; ১৮ মি.মি. পুরুত্বে অথবা ১: ২:৪ অনুপাতে কংক্রিট ২.৫ সে.মি হতে ৪ সে. মি পুরুত্বে ডি.পি.সি হিসাবে দেওয়া হয়)।
২) দেওয়ালের দুইদিকে তক্তা দিয়ে প্রয়োজনে শাটারিং কর।
৩) তারপর উপরে উল্লিখিত যে কোন একটি মসলা কর্ণি দ্বারা বিছিয়ে দাও। মনে রাখবে সর্বত্রই যেন সম উচ্চতা হয়।
৪) ওয়াটার প্রুফ করার জন্য এক ব্যাগ সিমেন্টের সাথে ১ কেজি থেকে আড়াই কেজি পাড়লো মিশাও।
৫) কমপক্ষে ৭ দিন কিউরিং কর (মিশ্রণে পানি-সিমেন্ট অনুপাত ঠিক রাখতে হবে)।

ব্যবহারিক কাজ ৬
কাজের নামঃ বিসে কংক্রিট ঢালাই করার জন্য ফর্ম ওয়ার্ক বা পাটারিং তৈরি। প্রয়োজনীয় যন্ত্রপাতিঃ করাত, হাতুড়ি, থোবা হাতুড়ি হলে ভালো হয়), র্যাঁদা, ফুট রুল (Foot rule)] প্রয়োজনীয় মালামালঃ কাঠ, খুঁটি, পেরেক, জি, আই, সিট।
কার্য প্রণালী
(১) প্রথমে দুইপাশে দেওয়ালে ধারক (Support) প্রস্তুত কর শাটারিং অর্থাৎ ফর্মাটি স্থাপন করার জন্য। কর্মাটির দুইপাশের ও নিচের তক্তা পেরেক দ্বারা মাপ মতো আটকাণ্ড। দুইটি তক্তার মাঝখানে নিশ্চিদ্র করার জন্য জি, আই, শিট দ্বারা বন্ধ করে দাও।
২) ফর্মাটি দুইটি সাপোর্টের উপর স্থাপনের পর নিচের তক্তার দুইদিকে বাঁশের খুঁটি খাড়াভাবে দাও। মাটিতে বাঁশের খুঁটি তক্তার উপর বা ইটের উপর রাখ।
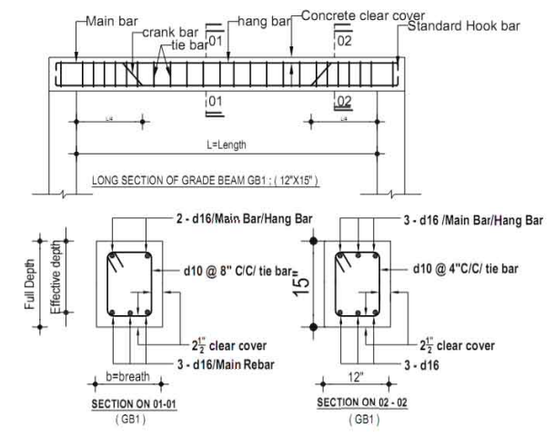
ব্যবহারিক কাজ ৭
কাজের নামঃ এম. এস. রড ফেব্রিকেশন (নিম্নের বিমটির বিভিন্ন প্রকার রড পরিমাপ অনুযায়ী কেটে ও হক করে শাটারিং এর উপর সাজাও)।
প্রয়োজনীয় যন্ত্রপাতিঃ হ্যাক স’; হেন্ডেল বা হাতল; হাতুড়ি; চিজেল, ফাঁপা পাইল।
প্রয়োজনীয় মালামালঃ এম. এস. রড; জি. আই, তার।

কার্য প্রণালী
১) প্রথমে সরবরাহকৃত রডকে সোজা কর।
২) তারপর প্রধান রড; হ্যাংগার রড; ক্র্যাংক রড ও স্টিরাপের দৈর্ঘ্য নিরূপণ কর।
৩) দৈর্ঘ্য অনুযায়ী প্রয়োজনীয় সংখ্যক রড কাট।
৪) হ্যাংগার রড, প্রধান রড, ক্র্যাংক রডের মাথায় হুক বানাও।
৫) প্রয়োজনীয় মাপের স্টিরাপ বা রিং তৈরি কর।
৬) বিম শাটারিং এর নিচের তক্তায় কভারিং এর মাপ অনুযায়ী প্রয়োজনীয় সংখ্যক ব্লক স্থাপন করে তার উপর ক্র্যাক রড ও প্রধান রড মাপ মতো বসাও।
৭) প্রয়োজনীয় উচ্চতায় হ্যাংগার রড দুইটি বসিয়ে তার নিচে আড়কাঠ দিয়ে ধরে রাখ। কাঠ দুইটি শাটারিং এর দুইপার্শ্বে সংযুক্ত থাকবে। খাঁচা বাঁধা হলে আড়কাঠ খুলে নিতে হবে।
৮) এবার পূর্বে তৈরিকৃত স্টিরাপ স্পেসিং অনুযায়ী হ্যাংগার রড ও প্রধান রডকে জড়িয়ে স্থাপন কর।
৯) স্টিরাপকে হ্যাংগার রড ও প্রধান রডের সাথে তার দিয়ে বাঁধ। মনে রাখবে বাঁধা এমনভাবে হতে হবে যেন রডের চারদিক তার উঠে এসে উপরে গিট দেওয়া হয়।
ব্যবহারিক কাজ ৮
জবের নামঃ লিন্টেলে রড স্থাপন ও বাধাই (২৫ সে. মি. দেওয়ালে ১.২০ মিটার চওড়া দরজার উপর)।
লিস্টেলের দৈর্ঘ্য = ১.২০ মিঃ + ০.১৫ মিঃ + ১৫ = ১৫০ মিঃ (স্প্যানের উভয় পার্শ্বে ১৫ সেঃ মিঃ করে দেওয়ালে ঢুকানো থাকবে)।
১০ সেঃ মিঃ এম. এস রড/রডের দৈর্ঘ্য। দৈর্ঘ্য কভারিং হক ১৫০-৫+১৮ = ১৪৫ + ১৭.১ = ১৬২ সেঃ মিঃ = ১.৬২ মিঃ স্টিরাপের দৈর্ঘ্য = ২ (দেওয়ালের প্রস্থ+ লিন্টেলের উচ্চতা) চার দিকের কভারিং।
= ২(২৫ + ১৫) – ৪ X ২.৫ = ৮০ – ১০ = ৭০ সেঃ মিঃ = ০.৭০ মিঃ
লিন্টেল রডের সংখ্যা = রড ৪ টি এবং স্টিরাপ = ১৬০/২০ = ৮ + ১ = ৯ টি।

যন্ত্রপাতি
১। হাতুড়ি।
২। রড কাটার ছেনি বা হ্যাক স।
৩। রড বাঁকা করার পাইপ।
৪। রড বীকা করার প্লাটফরম।
কাজের ধারবাহিক ধাপ
১) ১০ মিঃ মিঃ ব্যাসের এবং ১৬২ সেঃ মিঃ লম্বা ৪ টি রড কাট এবং এগুলির উভয় প্রান্তে মাপ মতো হক বানাও। (হুক = ১৮ x ব্যাস)
২) ৬ মিঃ মিঃ ব্যাসের এবং ৭০ সেঃ মিঃ লম্বা ৯ টি রড কাট এবং প্রতিটি রড দ্বারা ২০ সেঃ মিঃ x ১০ পরিমাপের ৯ টি রিং বানাও।
৩) ৪ টি লম্বা রডকে (ছিদ্র দেখে) ২০ সেঃ মিঃ পর পর রিং দ্বারা পেচাঁও এবং রিং কে রডের সাথে জি আই তার দ্বারা বাঁধ।
৪) ১২০ সেঃ মিঃ লম্বা, ২৫ সেঃ মিঃ চওড়া ও ১৫ সেঃ মিঃ উচ্চতার একটি কাঠের খাঁচা (ফর্ম ওয়ার্ক) তৈরি করে তা মাপ মতো দরজার ফোঁকরের (Opening) উপর রাখ। ১৫ সেঃ মিঃ উচ্চতার ২ টি তক্তা ব্যবহার করলে জোড়াস্থানে জি. আই. টি শিট ও পেরেক দ্বারা আটকিয়ে বন্ধ কর। (না হলে কংক্রিটের সিমেন্ট মিশ্রিত পানি পড়ে যাবে)।
৫) কাঠের খাঁচাটি দরজার উপর রাখ এবং তার নিচে বাঁশের ঠেকনা দাও।
৬) রডের খাঁচাটি শাটারিং খাঁচায় এমনভাবে বসাও যেন
মালামাল
১। এস. এস. রড
২। ২৪ নং জি. আই তার ১। কাঠ
৪। পেরেক
৫। জি. আই শিট।
৬। তৈরি করা ব্লক।
৭। বাঁশের খুঁটি
সাবধানতা
১) স্টিরাপকে রডের সাথে শক্ত করে বাঁধতে হবে যেন ঢালাইয়ের সময় সরে না যায়।
২) ব্লক ব্যবহার করে অবশ্যই কভারিং নিশ্চিত করতে হবে।
৩) শাটারিং সঠিক পরিমাপের ও অবশ্যই পানিরোধক হতে হবে।
ব্যবহারিক কাজ ৯
কাজের নামঃ ১:৬ অনুপাতে মসলার সাহায্যে ১২ মি.মি (১/২”) পুরু প্লান্টার।
প্রয়োজনীয় যন্ত্রপাতি ও উপকরণঃ কর্ণি, কড়াই, ওলন, উষা, কোদাল, বেলচা, পাট্টা, মগ, বালি চালনি, ব্রাশ ও মাচা তৈরির বাঁশ।
প্রয়োজনীয় মাল-মসলাঃ সিমেন্ট, বালি ও পানি।
কার্যপ্রণালী
১) উচুতে প্লাস্টার করতে হলে বাঁশ ও দড়ি দিয়ে মাচা বাঁধ।
২) দেওয়াল পুরনো হলে দেওয়ালের গাত্রতল তারের বা নারকেল ছোবড়ার ব্রাশ দ্বারা পরিষ্কার কর।
৩) কতটুকু পরিমাণ জায়গায় প্লান্টার করতে হবে তা মেপে পরিমাপ মতো সিমেন্ট ও বালি নাও।
৪) শুকনো অবস্থায় কোদাল দিয়ে অনুপাত অনুযায়ী নেওয়া বালি ও সিমেন্ট মিশাও।
৫) শুকনো মসলার সাথে পানি সিমেন্ট অনুপাত অনুযায়ী পানি মিশিয়ে আর্দ্র মসলা বানাও।
৬) বানানো মসলা কড়াইয়ে করে কার্যস্থলে নিয়ে কুর্ণি দ্বারা প্রয়োগ কর এবং উষা ও পাট্টা দ্বারা তল সমান কর।
৭) দেওয়ালে প্লাস্টারের পুরুত্ব সমান রাখার জন্য ১ থেকে ২ মিটার পরপর পায়া বা ফালি (strip) তৈরি কর।
৮) ওলন দ্বারা মাঝে মাঝে গাত্রতল পরীক্ষা কর।
৯) মাঝে মাঝে পাটের ব্রাশের সাহায্যে পানি ছিটিয়ে পাট্টা দিয়ে তল মসৃণ কর।
১০) ২৪ ঘন্টা পর থেকে শুরু করে কমপক্ষে ৭ দিন পর্যন্ত কিউরিং কর। পানি ছিটিয়ে বা চটের বস্তা গায়ে লাগিয়ে কিউরিং কর।
সাবধানতা
১) মসলা তৈরির প্লাটফর্ম পানিরোধী হতে হবে।
২) বালি-সিমেন্ট ও পানির অনুপাত ঠিক থাকতে হবে।
৩) দেওয়ালের প্লাস্টারের জন্য মসলা তৈরির আধ ঘন্টার মধ্যে ব্যবহার করতে হবে।
৪) দেওয়ালের খাড়া তল ও পুরুত্ব ঠিক থাকতে হবে।
৫) মসলার অপচয় রোধ করতে হবে।

ব্যবহারিক কাজ ১০
কাজের নামঃ দেওয়ালে পয়েন্টিং।
প্রয়োজনীয় যন্ত্রপাতিঃ কর্ণি, কড়াই, বালতি, মগ, পয়েন্টার।
প্রয়োজনীয় মালামালঃ সিমেন্ট, বালি ও পানি।
কার্য প্রণালী
১) দালানের গাঁথুনির উপরের জোড়গুলো রেকিং আউট কর। রেকিং আউট করার সময় মনে রাখতে হবে যে জোড়ের গভীরতা যেন কমপক্ষে ১২ থেকে ২০মি. মি. হয়।
২) রেকিং আউট করার পর ব্রাশ দিয়ে পরিষ্কার করে পানি দিয়ে ধুয়ে মুছে ফেল।
৩) সিমেন্ট মসলা হতে ১৪৩ অনুপাতে এবং লাইম মসলা হলে ১৪১ অনুপাতে মসলা তৈরি কর। (পানির অনুপাত যথাযথ হতে হবে)
৪) তৈরি করা মসলা এমনভাবে লাগাতে হবে যেন সম্পূর্ণ জোড়া ভরে যায়।
৫) এবার যে প্রকার পয়েন্টিং করতে চাও সে প্রকারের জন্য নির্দিষ্ট পয়েন্টার ব্যবহার করে পয়েন্টিং কর।
৬) কাজ শেষে ২৪ ঘন্টা পর থেকে ৭ দিন পর্যন্ত কিউরিং কর।
ব্যবহারিক কাজ ১১
কাজের নামঃ নিট সিমেন্ট ফিনিশিং এর কাজ। প্রয়োজনীয় যন্ত্রপাতিঃ কোদাল, বেলচা, কর্ণি, উষা, মগ, বালতি, পাট্টা, কড়াই ও বালি চালনি।
প্রয়োজনীয় মাল মসলা : সিমেন্ট, বালি, পানি।
কার্য প্রণালী
১) প্রথমে ইট দ্বারা নিশ্ছিদ্র প্লাটফর্ম তৈরি কর।
২) প্লাটফর্মের উপর নির্দিষ্ট অনুপাত অনুযায়ী বালু মেপে নিয়ে ছড়িয়ে তার উপর সিমেন্ট ছড়িয়ে দাও।
৩) কোদাল দ্বারা বালি ও সিমেন্টকে ওলট পালট করে শুকনা অবস্থায় ভালো করে মিশাও যেন শুষ্ক মিশ্রণের রং সুষম হয়।
৪) সুষম এ মিশ্রণের মাঝখানে গর্ত করে মগ দ্বারা আস্তে আস্তে পানি দাও এবং চারদিক থেকে কোদাল বা বেলচা দ্বারা মসলা তুলে এনে মাঝের দিকে রাখ।
৫) কোদাল বা বেলচা দ্বারা মসলা কড়াইতে করে কার্যস্থানে নাও।
৬) যেখানে নিট সিমেন্ট ফিনিশিং করতে হবে সেখানকার গাত্রতল ব্রাশ দ্বারা পরিষ্কার কর এবং কর্ণি দ্বারা মসলা স্থাপন কর।
৭) প্রতিস্থাপিত মসলাকে উষা বা পাট্টা দ্বারা ডানে বাঁয়ে লেপন করতে সমান ও লেভেল কর।
৮) গাত্রতল লেভেল হয়েছে কিনা তা স্পিরিট লেভেল দ্বারা পরীক্ষা কর।
৯) নির্দিষ্ট পদ্ধতিতে প্রয়োজনীয় সময়ব্যাপী কিউরিং কর।
সাবধানতা
১) পানি সিমেন্ট অনুপাত যথাযথা হতে হবে।
২) মসলা তৈরির সময় যেন পানি বের হয়ে না যায় সেদিকে খেয়াল রাখতে হবে।
৩) বালি সিমেন্ট এর মিশ্রণের অনুপাত অবশ্যই সঠিক হতে হবে এবং মিশ্রণ সুষম হতে হবে।
৪) ব্যবহৃত বালি ও সিমেন্ট এর মান সঠিক হতে হবে।
৫) তৈরি মসলা আধ ঘন্টার মধ্যে ব্যবহার করতে হবে।
ব্যবহারিক কাজ ১২
কাজের নামঃ দেওয়ালের অংশ বিশেষে চুনকাম।
প্রয়োজনীয় উপকরণঃ বিশেষ ধরনের ব্রাশ বা পাটের তৈরি তুলি, ড্রাম, বালতি, পানি নাড়ার জন্য কাঠ খন্ড, শিরিশ কাগজ ও মাচা তৈরির বাঁশ ও দড়ি।
প্রয়োজনীয় মাল-মসলাঃ পাথুরে চুন, কলি চুন, গাম বা আঠা, নীল ও পানি।
কার্য প্রণালী
১) উঁচুতে চুনকাম করতে হলে বাঁশ ও দড়ি দিয়ে মাচা তৈরি কর।
২) পুরাতন দেওয়াল হলে ব্রাশ দিয়ে ঘষে পরিষ্কার কর এবং পানি দিয়ে ধুয়ে মুছে লও।
৩) চুনকামের পরিমাপ নিরূপণ করে সে অনুযায়ী চুন লও।
৪) পাথুরে চুন, কলিচুন ও পানি নির্দিষ্ট অনুপাতে ড্রামে মিশাও।
৫) পানিতে মিশানো চুন ভালোভাবে কাঠি দিয়ে নাড়িয়ে সুষম মিশ্রণ তৈরি কর।
৬) মোটা কাপড় বা চট দিয়ে মিশ্রণকে ছেঁকে নাও।
৭) তারপর প্রয়োজনমতো আঠা বা গাম, ভাতের মাড়, লবণ ও নীল মিশাও।
৮) বালতিতে করে মিশ্রণকে কার্যস্থলে নাও।
৯) ব্রাশ বা পাটের তুলি দিয়ে প্রথমে উপরে নিচে এবং পরে বায়ে ডানে করে দ্রবণের প্রলেপ লাগাও।
১০) এভাবে একস্তর প্রলেপ লাগানো শেষ হলে এবং তা না শুকানো পর্যন্ত দ্বিতীয় স্তর লাগানোর জন্য অপেক্ষা কর।
১১) দ্বিতীয় স্তর প্রলেপ লাগানোর পর তা শুকানোর পর প্রয়োজন হলে তৃতীয় স্তর প্রলেপ লাগাও।
সাবধানতা
১) সম্ভব হলে চুনের দ্রবণকে ফুটিয়ে নিলে ভালো হয়।
২) মিশ্রণ ছাঁকার পর কোন দানাদার উপাদান থাকতে পারবে না।
৩) মিশ্রণকে প্রয়োগের পূর্বে কমপক্ষে ২৪ ঘন্টা ড্রামে ভিজিয়ে রাখতে হবে।
৪) চুনকাম করা শুকনো তলে হাতের আঙুল দিয়ে ঘষলে আঙুলে চুন লাগবে না।
ব্যবহারিক কাজ ১৩
কাজের নামঃ প্লাম্বিং কাজের যন্ত্রপাতির ব্যবহার।
রেফঃ পাইপ খোলা বা সংযোজন করার কাজে, শক্ত করে ধরার কাজে অথবা নাটবোল্টন্ট খোলা ও মজবুত করে সংযুক্ত করার কাজে রেফ ব্যবহার করা হয়। পাইপ রেফ তিন প্রকার। যষ্ট-
(১) স্নাইড রেফ
(২) এ্যাডজাস্টেবল রেঞ্চ
(৩) চেইন রেঞ্চ।
(১) স্লাইড পাইপ রেঞ্চ (Slide pipe wrench): এর দুইটি চোয়াল (jaw) আছে এবং প্রতিটি চোয়ালে দাঁত আছে। দাঁত থাকার কারণে কোন বস্তু শত্রুতাবে ধরতে পারে। পাইপ লাইনে ব্যবহৃত টি ইউনিয়ন যা সকেট খোলার জন্য এ রেঞ্চ ব্যবহার করা হয়। তবে পাইপ লাইনে ইউনিয়ন বা সকেট লাগানো বা খোলার জন্য ২টি রেঞ্চ একত্রে ব্যবহার করতে হয়। একটি দ্বারা সকেট বা ইউনিয়নের অংশ ঘুরানো হয় এবং অপরটি তারা পাইপ ধরে রাখা হয়।

(২) এ্যাডজাস্টেবল রেঞ্চ (Adjustable wrench): এটিও স্লাইড রেফের নীতিতে তৈরি। এটিতে কোন স্লাইড করানোর নাট থাকে না। দুইটি চোয়াল বা ঘ একটা পিন দিয়ে যুক্ত করা হয়। স্লটের মধ্য দিয়ে পিন সহজেই যাতায়াত করতে পারে। জ দুইটিকে যে কোন দূরত্বে এ্যাডজাস্ট করা যায়। এ ধরনের রেঞ্চ গোলাকার বস্তুকে ধরে রাখতে সক্ষম।

৩) চেইন রেঞ্চ (Chain wrench) : বড় ব্যাসের পাইপকে দৃঢ়ভাবে ধরে রাখার জন্য এ রেঞ্চ ব্যবহার করা হয়। প্রথমে চোয়াল বা ‘জ’ (Jaw) পাইপের উপর স্থাপন করে শিকল দিয়ে পাইপকে জড়িয়ে শিকলের খোলা প্রান্ত ‘C’ অংশের মধ্যে আবদ্ধ করে দিতে হয়। শেষে ‘জ’ এর দাঁত যাতে পাইপের উপরিভাগ কামড়িয়ে ধরতে পারে এজন্য হাতলকে একটু উপরে উত্তোলন করে তারপর হাতলের উপরে চাপ দিয়ে পাইপকে ঘুরানো হয়।

A = হাতল বা হ্যান্ডেল।
B = জাকৃতির জ বা চোয়াল।
C = শিকল ধরার জন্য ফাঁকা অংশ।
D = এ বিন্দুতে শিকলের একটি প্রায় ‘দ’ এর সাথে যুক্ত থাকে।
চিজেল (Chisel): পাঁথুনির গায়ে গর্ত করার জন্য বা কোথাও কংক্রিট কাটার জন্য চিজেল ব্যবহার করা হয়। বিভিন্ন মাপের চিজেল কিনতে পাওয়া যায়। কাজের প্রয়োজনীয়তার উপর ভিত্তি করে চিজেলের আকার নির্ধারণ করা হয়। প্লাম্বিং কাজে সাধারণত কোল্ড চিজেল ব্যবহৃত হয়। এটি হাই কার্বন স্টিল দ্বারা নির্মিত। যেখানে গর্ত করতে হবে বা যে স্থানে কাটতে হবে তার উপর সমকোণে চিজেল ধরে হাতুড়ি দ্বারা পিটিয়ে তা করতে হয়।

পাইপ কাটার (Pipe cutter)os পাইপকে ভাইসে আটকিয়ে পাইপ ফাটার দ্বারা কাটা যায়। এটি হাই কার্বন স্টিল দ্বারা তৈরি। পাইপ কাটার তিন প্রকার। যথা:
(১) এক চাকা বিশিষ্ট কাটার (single handed)
(২) তিন চাকা বিশিষ্ট কাটার (adjustable)
(৩) পাওয়ার (বিদ্যুৎ চালিত) পাইল কাটার।
যে পাইপ কাটারে একটি ঢাকা থাকে ঐ চাকাটিই পাইপ কাটার কাজ করে থাকে তাকে এক ঢাকা বিশিষ্ট পাইপ কাটার বলে। যে পাইপ কাটারে তিনটি চাকা থাকে এবং ঐ তিনটির মধ্যে একটি পাইপ কাটার হিসাবে এবং বাকি দুটি সাহায্যকারী হিসাবে কাজ করে তাকে তিন চাকা বিশিষ্ট পাইপ কাটার বলে। হ্যাক স দ্বারা পাইপ কাটা সম্ভব না হলে সেক্ষেত্রে পাইপ কাটার ব্যবহৃত হয়।

ব্যবহারিক কাজ ১৪
কাজের নামঃ পানি সরবরাহ পদ্ধতির ড্রয়িং পর্যবেক্ষণ।
নিম্নে দালানে পানি সরবরাহ পদ্ধতির ড্রয়িং দেওয়া হলো। ড্রয়িংটি গভীরভাবে পর্যবেক্ষণ করে বিভিন্ন প্রকার পাইপ, ফিটিংস ও ফিকচারের তালিকা তৈরি কর।

ব্যবহারিক কাজ ১৫
কাজের নামঃ নিষ্কাশন (drainage) পদ্ধতির ড্রয়িং পর্যবেক্ষণ।
ড্রয়িংটি পর্যবেক্ষণ করে বিভিন্ন প্রকার পাইপ ও ভেল্ট এর তালিকা প্রস্তুত কর।

ব্যবহারিক কাজ ১৬
কাজের নামঃ পাইলে প্যাঁচ কাটা।
প্রয়োজনীয় যন্ত্রপাতিঃ মেজারিং টুলস, মার্কিং টুলস, রিমার, ফাইল, ডাই স্টক, থ্রেডগেজ, ওয়েল ক্যান, পাইল ভাইস।
প্রয়োজনীয় মালামালঃ জি, আই, পাইপ, সাদা চক, লুব্রিক্যান্ট, জুট বা পার্ট।
কার্য প্রণালী
১) ভয়িং এ প্রদত্ত পরিমাপ অনুযায়ী পাইপ কেটে নাও।
২) পাইল ভাইসে বাঁধ।
৩) রিসার ব্যবহার করে পাইপের ভিতরে রিসায়িং কর।
৪) ফাইল দ্বারা ফাইলিং কর।
৫) পাইপে ভাইস্টক সেট কর।
৬) লুব্রিক্যান্ট ব্যবহার কর।
৭) প্যাঁচ কাটা আরম্ভ কর।
৮) প্যাঁচ কাটা শেষ হলে থ্রেড গেজের সাহায্যে পরীক্ষা কর।
৯) কাজের ফণার্থতা যাচাই কর।


ব্যবহারিক কাজ ১৭
কাজের নামঃ প্যাঁচ বিশিষ্ট পাইপ সংযোজন। প্রয়োজনীয় যন্ত্রপাতিঃ মেজারিং টুলস, মার্কিং টুলস, কাটিং টুলস, রিষার, ট্যাপ এন্ড ডাই, তাই হোল্ডার গ্রেড পেজ, ওয়েল ক্যান।
প্রয়োজনীয় মালামালঃ প্রয়োজনীয় ব্যাসের পাইপ ১২.৭ মি.মি. এবং ১৯ মি.মি পেন্সিল, পাট ও ওয়েল ক্যান।

কার্য প্রণালী
১) পাইপ কাটার দিয়ে নির্দিষ্ট মাপে পাইপ কাট।
২) কাটা মুখে রিমার দ্বারা ভিতর পরিষ্কার কর।
৩) নির্দিষ্ট মাপ অনুযায়ী পাইপের ভিভরে এবং সরু পাইপের বাইরে প্যাঁচ কাট।
৪) প্যাঁচযুক্ত সরু পাইপকে মোটা পাইপের মধ্যে ঢুকাও।
৫) কাজের যথার্থতা যাচাই কর।
ব্যবহারিক কাজ ১৭
কাজের নামঃ প্যাঁচ বিহীন পাইপ সংযোজন (সোল্ডারিং করে)।
প্রয়োজনীয় যন্ত্রপাতিঃ মেজারিং টুলস, মার্কিং টুলস, র্যামার, ব্রো-ল্যাম্পস, ট্যান্সিং টুলস, পগলস, অপার। প্রয়োজনীয় মালামালঃ লিড পাইপ, ঝালা বা সোল্ডার, ক্লাকস্, ইমারি রুখ, ব্লো-ল্যাম্পের তৈল।
কার্য প্রণালী
১) ড্রইং অনুযায়ী মাপ নিয়ে মাপ অনুযায়ী পাইপে মার্কিং কর।
২) মান্স অনুযায়ী পাইপ কাট।
৩) ট্যান্সিং টুলস ব্যবহার করে একখন্ড পাইপের প্রান্ত বড় কর এবং ইসারি ক্লথ দ্বারা ভিতরের অংশ পরিষ্কার কর।
৪) অপর খন্ড পাইপ প্রান্ত ঘষিয়ে টেপার কর। ইমারি রুথ দ্বারা পরিষ্কার করে ক্লাকস লাপাও।
৫) প্রসারিত প্রান্তের ভিতর টেপার করা প্রান্ত সেট কর।
৬) ব্লো-ল্যাম্পস দ্বারা তাপ দাও।
৭) পাইল গরম হলে সোল্ডারে তাপ দিয়ে গলাও এবং গলিত সোহ্মার দ্বারা প্যাল পুরণ কর।
৮) পরম অবস্থায় সুতি কাপড় দিয়ে ঘষে জোড়া দেওয়ার স্থানের অতিরিক্ত সোচ্চার মসৃণ কর।

ব্যবহারিক কাজ ১৮
কাজের নামঃ ওয়াশ হ্যান্ড বেসিন সংস্থাপন।
প্রয়োজনীয় যন্ত্রপাতিঃ মেজারিং টুলস, মার্কিং টুলস, কাটিং টুলস স্পিরিট লেন্ডেন্স, চিজেল, হ্যামার, এ্যাডজাস্টেবল রেফ, মার্কিং রেঞ্চ, বেসিন রেঞ্চ, কর্ণি মেশনারি ট্রে, ফু-ভাইভার, সেন্ডেল ও ব্রাকেট।
প্রয়োজনীয় মালামালঃ ওয়াশ হ্যান্ড বেসিন, পিলার কক, স্টপ কক, জি, আই, ফিটিংস, সিল টেপ, রং, পুটিং, বালু, সিমেন্ট ও রাবার গ্যাসকেট।
কার্য প্রণালী
১) চিত্র অনুযায়ী দেওয়ালে ওয়াশ হ্যান্ড বেসিনের জন্য স্থান চিহ্নিত কর।
২) মেঝে হতে যে উচ্চতায় ব্রাকেট বসবে তা চিহ্নিত কর।
৩) দেওয়াল ছিদ্র করে মাপমত ব্রাকেট বসাও।
৪) উভয় ব্রাকেটের লেভেল যাচাই কর।
৫) কংক্রিট দ্বারা ব্রাকেট স্থাপনের কাজ শেষ কর।
৬) ওয়াশ হ্যান্ড বেসিনের সাথে পিলার কক, লিড পাইপ, স্ট্রেইনার ট্রাপ ও ওয়েস্ট ওয়াটার পাইপ সংযোজন কর।
৭) বেসিনকে ব্রাকেটের উপর স্থাপন কর।
৮) লিড পাইপ নিপল দ্বারা স্টপ ককের সাথে সংযুক্ত কর।
৯) কাজ সঠিক হচ্ছে কিনা যাচাই কর।
১০) পানি সরবরাহ কর
১১) এবার সার্বিক কাজের মান খাচাই কর।

ব্যবহারিক কাজ ১৯
কাজের নামঃ কমোড সংস্থাপন। প্রয়োজনীয় যন্ত্রপাতিঃ মেজারিং টুলস, মার্কিং টুলস, কাটিং টুলস, স্পিরিট লেভেল, হাতুড়ি, বাটালি, মার্কিং রেফ, ক্ষু-ড্রাইভার।
প্রয়োজনীয় মালামালঃ কমোড সেট, পুটি, সিলিং টেপ, বালি, সিমেন্ট।

কার্য প্রণালী
১) সয়েল পাইপের অবস্থান অনুসারে কমোড বসাও।
২) ড্রিল করার স্থান চিহ্নিত করে কমোড সরিয়ে রাখ।
৩) মেঝে লেভেল আছে কিনা যাচাই কর। প্রয়োজন হলে মসলা দ্বারা সমান কর।
৪) কমোড সরিয়ে রেখে ড্রিল দ্বারা মেঝে ছিদ্র করে প্লাগ লাগাও।
৫) কমোড পূর্বের ন্যায় সঠিক স্থানে বসাও।
৬) ক্ষু দ্বারা মেঝের সাথে আটকাও।
৭) সয়েল পাইপের সাথে কমোড সংযোগ দিয়ে সিল কর।
৮) এবার ফ্লাসিং ট্যাংকের সাথে কমোড সংযোগ কর।
৯) কমোড সিট কভার লাগাও।
১০) কমোডে পানি সরবরাহ করে কার্যকারিতা যাচাই কর।
আরও দেখুন :