আজকে আমাদের আলোচনার বিষয় – এম, এস, রড (রিইন ফোর্সমেন্ট বার) স্থাপন যা অধ্যায়-১ এর সিভিল কন্সট্রাকশন ২ এ অন্তভুক্ত।
গণপ্রজাতন্ত্রী বাংলাদেশ সরকার ২০০৯ শিক্ষাবর্ষ হতে সকলস্তরের পাঠ্যপুস্তক বিনামূল্যে শিক্ষার্থীদের মধ্যে বিতরণ করার যুগান্তকারী সিদ্ধান্ত গ্রহণ করেছে। কোমলমতি শিক্ষার্থীদের আরও আগ্রহী, কৌতূহলী ও মনোযোগী করার জন্য মাননীয় প্রধানমন্ত্রী শেখ হাসিনার নেতৃত্বে আওয়ামী লীগ সরকার প্রাক-প্রাথমিক, প্রাথমিক, মাধ্যমিক স্তর থেকে শুরু করে ইবতেদায়ি, দাখিল, দাখিল ভোকেশনাল ও এসএসসি ভোকেশনাল স্তরের পাঠ্যপুস্তকসমূহ চার রঙে উন্নীত করে আকর্ষণীয়, টেকসই ও বিনামূল্যে বিতরণ করার মহৎ উদ্যোগ গ্রহণ করেছে; যা একটি ব্যতিক্রমী প্রয়াস।
বাংলাদেশ কারিগরি শিক্ষা বোর্ড কর্তৃক রচিত ভোকেশনাল স্তরের ট্রেড পাঠ্যপুস্তকসমূহ সরকারি সিদ্ধান্তের প্রেক্ষিতে জাতীয় শিক্ষাক্রম ও পাঠ্যপুস্তক বোর্ড ২০১৭ শিক্ষাবর্ষ থেকে সংশোধন ও পরিমার্জন করে মুদ্রণের দায়িত্ব গ্রহণ করে। উন্নতমানের কাগজ ও চার রঙের প্রচ্ছদ ব্যবহার করে পাঠ্যপুস্তকটি প্রকাশ করা হলো।
Table of Contents
এম, এস, রড (রিইন ফোর্সমেন্ট বার) স্থাপন
এম এস রুড স্থাপন ও বাঁধাইয়ের পদ্ধতি
কোন কাঠামোর মেম্বার যথাঃ- বিষ, স্ল্যাব, কলাম ইত্যাদিতে এম এস রড ব্যবহার করার বা রড স্থাপন ও বাঁধাই করার নির্দিষ্ট নিয়ম রয়েছে। এই নিয়মগুলো খাপে খাপে সমাধা করা হয়। যথাঃ
১) প্রথমে সাইটে প্রাপ্ত সরবরাহকৃত আঁটি বা বান্ডেল করা রক্ত কে সোজা করি।
২) সোজা করার পর ক্রয়িং এর মাপ আদর্শ হক, বেদ্ধ অনুযায়ী রড কেটে টুকরা করা। (চিত্র ১.১)
৩) টুকরা করার পর রতে হুক, বেন্ড ইত্যাদি করা। (চিত্র বিভিন্ন প্রকার হক, বেন্ড ১.২ (ক) এবং বেকিং টেবিল দেখানো হলো)
৪) নকশা অনুযায়ী রভের সংখ্যা নিরুপণ করে সেই অনুযায়ী প্রয়োজনীয় সংখ্যক রড কাটা। (চিত্র ১.১ হাঁটব্য)
৫) তারপর সাটারিং ও ফর্ম ওয়ার্কের ভিতর হয়িং অনুযায়ী রন্ড স্থাপন। (চিত্র ১.৩ (ক) (খ) দ্রষ্টব্য)
৬) রড স্থাপনের পর জি বাই ভার ছায়া রন্ড বাঁধাইকরণ। (চিত্র ১,৪ দ্রষ্ট্য)
৭) বিসের ১ম স্টিরাপ এবং ফলানের ১ম টাই সাপোর্ট হন্ডে ২ ইঞ্চি দুরে স্থাপন করতে হবে। (চিত্র ১.৫ দ্রষ্টব্য)
৮) প্রয়োজনে বিমের এবং কলামের রডের তায়া অনুসারে স্প্যালাইসিং/ল্যান্সিং দিতে হবে। রড কাটার সময় স্পালাইসিং জোন ড্রয়িং বা আদর্শ কোড অনুযায়ী ঠিক করে নিতে হবে। (চিত্র দ্রষ্টব্য)
৯) খেয়াল রাখতে হবে বিসের রক্ত যেন কলাসের ভিষ্কর দিয়ে যায়।
১০) রডের নিচে প্রয়োজনীয় জায়গায় (কলদেশে) কঙ্কারিং ব্লক ও সাপোর্ট বিয়ারিং রক্ত স্থাপন। (চিত্র দুষ্টব্য)






- Apply the above except the case of marking separately on beam chart.
- S1-S4: stirrup distance
চিত্রঃ বার বা রড কাটিং এবং স্টিরাপ স্থাপন

নিত্রে একটি বিষ ও একটি ব্লাবের রড স্থাপন খাপে খাপে বর্ণনা করা হলো।
গেঞ্জীর মনোযোগ নিয়ে নিচেন্দ্র আর সি সি বিসের নকশাটি পর্যবেক্ষণ কর।

ডিজাইন অনুযায়ী (নকশা দেখ)
- বিমের নিচের সারিতে ২৫ মি মি ব্যাসের ৪টি রড, তন্মধ্যে মাঝের ২টি সাপোর্ট থেকে ৮৫.৭ সে মি দূরে 45° কোণে ফ্রাংক (Crank) হয়ে উপরের দিকে উঠে গেছে। বর্তমানে বিমে হ্যাংগার বার ব্যবহার প্রায় নাই বললে চলে।
- বাকি দুইটি রড সোজা হয়ে সাপোর্ট এর উপরে রয়েছে।
- দুইটি ১৬ মি মি ব্যাসের রড উপরে হ্যাংগার হিসাবে সাপোর্ট এর উপর পর্যন্ত সোজা রয়েছে।
- ২৪ সে মি পর পর ১০ মি মি ব্যাসের স্টিরাল খাড়া অবস্থায় আছে। উভয় সাপোর্ট থেকে 5/2 বা ১২ মি মি পর প্রথম স্টিরাপ বসাতে হবে। (দুইদিকে মোট ১০টি)
রডের দৈর্ঘ্য প্রতিটি তলার সোজা রড (২টি), ৬০০ সেমি ২x১২.৫ সেমি+ 2X ১০ X ২.৫-২ x 8 (কভারিং = ৪ সে মি)
= ৬৪৭ সে মি = ৬.৪৭ মি
(ক্লিয়ার দৈর্ঘ্য+২x সাপোর্টের বিয়ারিং এর দৈর্ঘ্য+২x ১০ x মেইন বার ডায়া ২x কংক্রিট কাভার)
প্রতিটি তলার ক্র্যাংক রড (২টি), ৬০০ সেমি ২৫ সেমি ২ x ১০ X ২.৫ + ৪৬ – ২X4
= ৬৯৩ সে মি = ৬.৯৩ মি
(ক্লিয়ার দৈর্ঘ্য+২x সাপোর্টের বিয়ারিং এর দৈর্ঘ্য+২৪ ১০ X মেইন বার ডায়া+বিমের কার্যকর গভীরতা – ২x কংক্রিট কাভার)
প্রতিটি উপরের হ্যাংগার রড (২টি), ৬০০ সে মি+ ২৫ সেমি + ২X 10 X 1.6-2X ৪
= ৬৪৯ সে মি = ৬.৪৯ মি
(ক্লিয়ার দৈর্ঘ্য+২X সাপোর্টের বিয়ারিং এর দৈর্ঘ্য+২x ১০ X মেইন বার ডায়া ২x কংক্রিট কাভার)
স্টিরাপ প্রতিটি = ২(৪৬ + ২২) + ২ X ১০ x ১
= ১৫৬ সে মি = ১.৫৬ মি
(২X(বিমের কার্যকর গভীরতা+বিমের কার্যকর প্রন্থ)
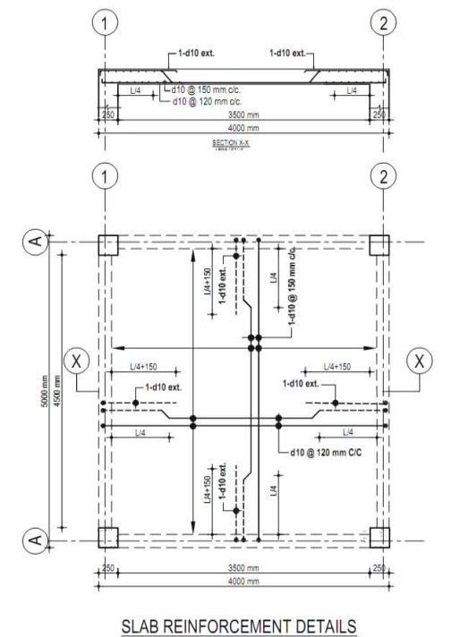
স্লাবের রডের সংখ্যা ও দৈর্ঘ্য নিরূপণ
কক্ষের লম্বা দিকে রডের সংখ্যা = ৪৫০০/১২০ + ১ = ৩৮.৫ বা ৩৯টি
(লম্বা দিকের দূরত্ব/ঐ দিকের স্পেসিং+১)
সোজা রড = ২০টি (প্রথমে সোজা রড স্থাপন করবে)
ক্র্যাংক রড = ৩৯-২০ = ১৯টি
কক্ষের খাটো দিকে রডের সংখ্যা = ৩৫০০/১৫০ + ১ = ২৪.৩৩ বা ২৫টি
(খাটো দিকের দূরত্ব/ঐ দিকের স্পেসিং+১)
সোজা রড = ১৩টি (প্রথমে সোজা রড স্থাপন করবে)
ক্র্যাংক রড = ২৫-১৩ = ১২টি
এক্সট্রা টপ রডঃ লম্বা দিকে = ১২টি করে
খাটো দিকে = ১৯টি করে

খাটো দিকে সোজা রডের মোট দৈর্ঘ্য = ৪.১৫ X ২০ = ৮৩ মিটার
খাটো দিকে ক্র্যাংক রডের মোট দৈর্ঘ্য = ৪.৮৭ X ১৯ = ৯২.৫৩ মিটার
খাটো দিকে রডের মোট দৈর্ঘ্য = ১.০৭ X ৪০ = ৪২.৮ মিটার , ২১৮.৩৩ মিটার
লম্বা দিকে সোজা রডের মোট দৈর্ঘ্য = ৫.১৫ x ১৩ = ৬৬.৯৫ মিটার
লম্বা দিকে ক্র্যাংক রডের মোট দৈর্ঘ্য = ৫.৮৭ X ১২ = ৭০.৪৪ মিটার
লম্বা দিকে টপ (অতিরিক্ত) মোট দৈর্ঘ্য = ১.৩২ X ২৬ = ৩৪.৩২ মিটার , ১৭১.৭১ মিটার
মোট রডের দৈর্ঘ্য = ২১৮.৩৬ + ১৭১.৭১ = ৩৯০.০৭ মিটার
ল্যাপের জন্য অতিরিক্ত ১০% = ৩৯ মিটার , মোট ৪২৯.০৭ মিটার প্রায় ৪৩০ মিটার
সোজা রড খাটো দিকেঃ
দৈর্ঘ্য = L + support + hook covering
= ৩৫০০ + ২৫০ X ২ + ১০ X ১০ X ২-২ x ২৫ = ৪.১৫ মিটার
খাটো দিকে ক্র্যাংক রডের মোট দৈর্ঘ্য = ৪.১৫ + 0.9d
= ৪.১৫ + ০.৭২ = ৪.৮৭ মি
খাটো দিকে টপ রডের মোট দৈর্ঘ্য = ৩৫০০/৪ + 2 x 10D + ২৫০ – ৪০
= ১০৭৫ = ১.০৭ মি
সোজা রড লম্বা দিকেঃ
দৈর্ঘ্য = ৪৫০০ + ২৫০ X ২ + ১০ X ১০ x ২-২ x ২৫ = ৫.১৫ মিটার
= ৫.১৫ মিটার
ক্র্যাংক রড লম্বা দিকে মোট দৈর্ঘ্য ৫.১৫ + 0.9d = ৫.৮৭
টপ রড লম্বা দিকে মোট দৈর্ঘ্য = ৪৫০০/৪ + 2 x 10D + ২৫০-৪০
= ১.৩২ মি.
টপে অতিরিক্ত রড সংখ্যা
সোজা রডের সংখ্যা রডের ওজনঃ (mm)²/162.2 কেজি প্রতি মিটার
অতএব, ১০ মি মি রডের ওজন = ২৬৫.১০ কেজি = ০.২৬৫ টন
কভারিং এবং সাপোর্টের উপর বিয়ারিং এর প্রয়োজনীয়তা
কংক্রিটে যথেষ্ট পরিমাণ কভারিং এবং সাপোর্টের উপর বিয়ারিং খুবই গুরুত্বপূর্ণ। নিম্নে কারণগুলো দেওয়া হলো। যথাঃ
১। আগুন লাগলে রডকে তথা সম্পূর্ণ ইমারতকে রক্ষা করে।
২। বিভিন্ন কারণে দ্রুত মরিচা পড়া হতে বাচিয়ে রাখে।
৩। আবহাওয়ায় বিরূপ প্রভাব হন্ডে রক্ষা করে।
যদি কয়িং এ উল্লেখ না থাকে, তবে নিচের চিত্র মোতাবেক কভারিং দেওয়া যেতে পারে যেগুলো বিভিন্ন কোডে উল্লেখ করা হয়েছে।

সাধারণত ড্রয়িং নির্দিষ্ট স্থানে রক্তেয় অবস্থান দেখানো থাকে। স্থাপনায় ভার বহনের জন্য সঠিক স্থানে রডকে রাখা খুবই দরকার। চালাইয়ের কাজের সময় রুত স্থানচ্যুত হতে রক্ষার জন্য নিজের রড সাপোর্টসমূহ এবং ব্যবস্থা গ্রহণ করা হয়।

স্টিয়াল ব্যবহারের প্রয়োজনীয়তা
সিষের উপর পন্ডিত ভার (Load) না বলের প্রভাবে ভার মধ্যে টান (Tensile stress) ও চাপ (Compressive stress) ছাড়াও কৌশিক টান চাপ (Digonal tensile) বা শিল্পারিং চাপের সৃষ্টি হয়। কংক্রিট নিজ ক্ষমতা বলে সীমিত মাত্রাম শিমারিং বল বা শিমার স্ট্রেস বহন করতে পারে। কংক্রিটের শিয়ার বহন করার ক্ষমতার অতিরিক্ত শিয়ার স্ট্রেসই হলো বাড়তি শিয়ার স্ট্রেস। এই বাড়তি শিয়ার স্ট্রেস বন্ধন করার জন্যই স্টিরাপ প্রয়োজন হয়।
U, O, M, W, S জাকৃতির এই আলাদা রডগুলোফে স্টিরাপ বলে। টান বল বৃদ্ধির জন্য স্টিরাপের দুইপ্রান্তে হুক করা থাকে। বিষে স্টিরাগ খাড়া বা তির্যকভাবে ব্যবহার করা যায়। বিদে টপ রক্ষকে ঝুলে থাকতে সাহায্য করে। মূল বিষের স্টিলের কাঠামোকে ঠিক রাখতে স্টিরাপ গুরুত্বপূর্ণ ভূমিকা রাখে।
স্টিরাপ স্থাপনের কৌশল
স্টিরাপ স্থাপনের পদ্ধতি বা কৌশল নিম্নরূপ:
১) বাংলাদেশে রিং আকৃতির (ক্লোজড টাইপ) স্টিরাপ ব্যাপকভাবে ব্যবহার হয়। এ ধরনের স্টিরাপ ব্যবহার করলে বিষের প্রধান রড সঠিক স্থানে থাকে।
২) সাধারণত প্রধান রডের সাথে ৯০ ডিগ্রি বা ততোধিক কোণে স্টিরাপ স্থাপন করা হয়।
৩) স্টিরাগ তৈরিতে হক ১৩৫° কোণে হওয়া বাঞ্ছনীয়। এতে ভূমিকম্প সহনীয়তা বৃদ্ধি পায়।
৪) প্রথমে নির্দিষ্ট ডায়ার রড (সাধারণত ১০ মিলি ভাসের) কেটে হক করে স্টিরাপ তৈরি করা হয়।
৫) বিমে প্রধান রডগুলো ঝুলিয়ে রেখে প্রয়োজনীয় সংখ্যক স্টিরাপ ঢুকিয়ে দেওয়া হয়। ৬) প্রথম স্টিরাপ কলাম (সাধারণ ভাষায় পিলার) হতে ২ ইঞ্চি দূরে স্থাপন করতে হয়। এরপর ডুয়িং অনুযায়ী
স্পেসিং ঠিক রেখে জি আই তার দিয়ে প্রধান রক্তের সাথে বাঁধতে হয়। ৭) স্টিরাপের হকগুলো সাপোর্টের কাছে নিচের দিকে এবং মাঝের দিকে উপরের দিকে রাখলে কংক্রিটিং এ সুবিধা হয়।
উপর্যুক্ত পদ্ধতির এক বা একাধিকটির সমন্বয় করেও স্টিরাপ ব্যবহার করা যায়।

অনুশীলনী
অতি সংক্ষিপ্ত প্রশ্ন
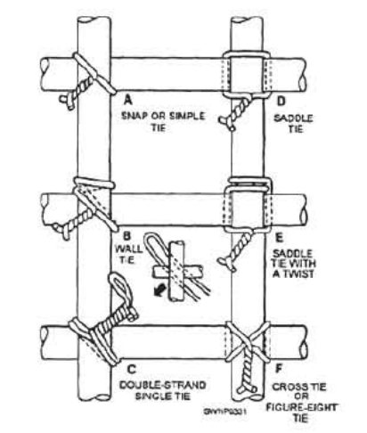
১। টাই, স্টিরাপ, হপ চিত্রসহ সংজ্ঞা লেখ।
২। জি আই তার দিয়ে কত ধরনের গেরো লাগানো যায় এবং তার নাম কি কি?
সংক্ষিপ্ত প্রশ্ন
১। কভারিং ও সাপোর্টের উপর বিয়ারিং এর প্রয়োজনীয়তা লেখ।
রচনামূলক প্রশ্ন
১। এম এস রড স্থাপন এবং বাঁধাইয়ের পদ্ধতি চিত্রসহ বর্ণনা কর।
২। স্টিরাপ ব্যবহারের প্রয়োজনীয়তা ও কৌশল বর্ণনা কর।
